Ваш город:
Симферополь
Ваш город Симферополь?
Да Выбрать другой
Заказать звонок
Фильтр

РЕДУКТОР ЦДНД-200 (315, 400)

Описание

Типоразмер

ЦДНД-200

ЦДНД-315

ЦДНД-400

Номинальное передаточное отношение, i

12,5; 20; 31,5; 40

Номинальный крутящий момент на тихоходном валу, Т, Нxм

2100

7000

14000

Номинальная частота вращения быстроходного вала, с-1 (об/мин)

12,5 (750); 16,6 (1000); 25 (1500)

Номинальная радиальная консольная нагрузка, приложенная в середине посадочной поверхности конца тихоходного вала, Н

11200

30000

50000

Масса, кг

155

450

865

Ориентировочный объем масла, л. 4 12 30

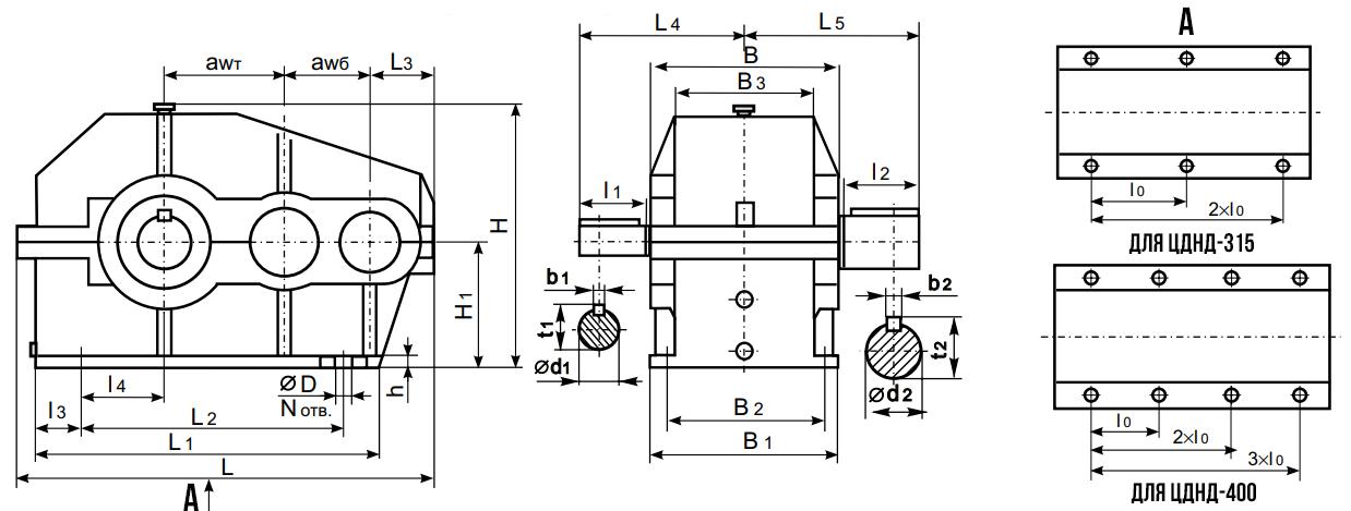
Габаритные и присоединительные размеры

 

Типоразмер awб awт B B1 B2 B3 H H1 h L L1 L2 L3 L4 L5
ЦДНД-200 125 200 250 245 200 140 412 212 25 685 440 310 115 198 227
ЦДНД-315 200 315 350 345 280 200 635 335 30 1000 630 480 140 365 267
ЦДНД-400 250 400 430 425 340 200 820 425 35 1265 820 645 170 450 330

 

Типоразмер l0 l1 l2 l3 l4 D N d1 d2 t1 t2 b1 b2
ЦДНД-200 60 80 90 60 22 4 40 65 43 69 12 18
ЦДНД-315 240 82 115 90 110 26 6 50 110 53,5 116 14 28
ЦДНД-400 215 105 200 90 155 33 8 65 140 69 148 18 36

Варианты сборки редукторов ЦДНД

Примерные обозначения при заказе продукции

ЦДНД-315-40-12-У2, где:

  • ЦДНД – Тип редуктора;
  • 315 – Межосевое расстояние второй ступени;
  • 40 – Номинальное передаточное число;
  • 12 – Вариант сборки;
  • У2 – Климатическое исполнение и категория размещения.
Назад
Выбор города