Ваш город:
Симферополь
Ваш город Симферополь?
Да Выбрать другой
Заказать звонок
Фильтр

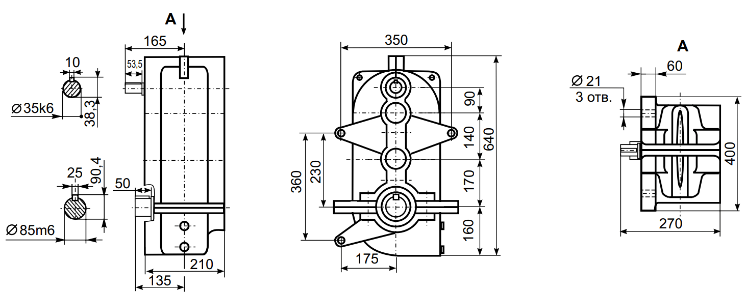
Цилиндрический вертикальный редуктор В-400

Описание

Технические характеристики

Номинальное передаточное отношение, i

18

20

28

40

50

Номинальный крутящий момент на тихоходном валу, Т, Нxм;при номинальной частоте вращения быстроходного. вала,с-1 (об/мин)

10 (600)

Легкий (Л)

3400

3500

3800

Средний (С)

1800

2000

2350

Тяжелый (Т)

1400

1550

Весьма тяжелый (ВТ)

1300

1400

1550

12,5 (750)

Легкий (Л)

3200

3300

3650

Средний (С)

1600

1700

1800

2100

Тяжелый (Т)

1200

1300

1450

Весьма тяжелый (ВТ)

1100

1200

1350

16,6 (1000)

Легкий (Л)

3150

3850

Средний (С)

1400

1600

1750

Тяжелый (Т)

1100

1200

1350

Весьма тяжелый (ВТ)

1000

1100

1250

Масса, кг

106

Примерные обозначения при заказе продукции

В-400-20-У1, где:

  • В – Тип редуктора;
  • 400 – Межосевое расстояние;
  • 20 – Номинальное передаточное число;
  • У1 – Климатическое исполнение и категория размещения.
Назад
Выбор города