Ваш город:
Симферополь
Ваш город Симферополь?
Да Выбрать другой
Заказать звонок
Фильтр

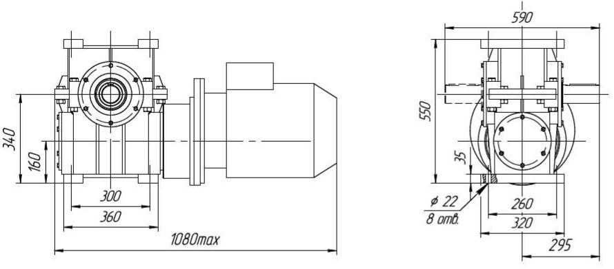
Мотор-редуктор МЦЧ-180

Описание

Габаритные размеры

С опорным фланцем

 

Выходной вал «Квн»

Выходной вал «Кнар»

Выходной вал «Ц»

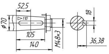
Выходной вал с шпоночным отверстием

Назад
Выбор города