Ваш город:
Симферополь
Ваш город Симферополь?
Да Выбрать другой
Заказать звонок
Фильтр

Мотор-редуктор МЦЧ-125

Описание

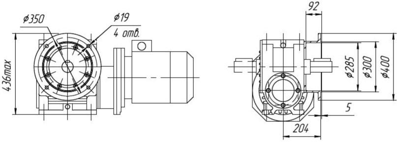
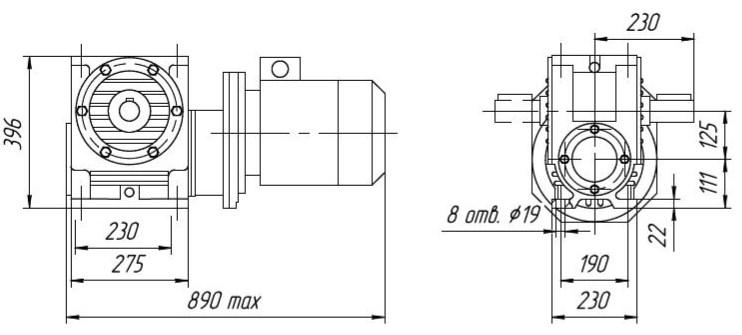
Габаритные размеры

С опорным фланцем

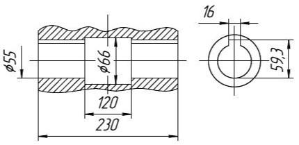
Выходной вал «Квн»

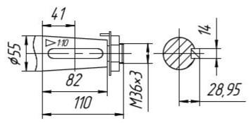
Выходной вал «Кнар»

Выходной вал «Ц»

Выходной вал с шлицевым валом

Выходной вал с шпоночным валом

Назад
Выбор города