Ваш город:
Симферополь
Ваш город Симферополь?
Да Выбрать другой
Заказать звонок
Фильтр

Мотор-редуктор МЦЧ-200

Описание

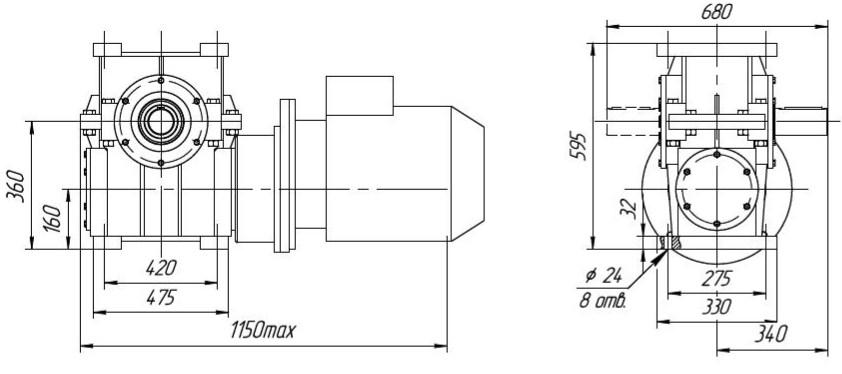
Габаритные размеры

С опорным фланцем

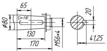
Выходной вал «Квн»

Выходной вал «Кнар»

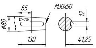
Выходной вал «Ц»

Выходной вал с шлицевым отверстием

Выходной вал с шпоночным отверстием

Назад
Выбор города