Ваш город:
Симферополь
Ваш город Симферополь?
Да Выбрать другой
Заказать звонок
Фильтр

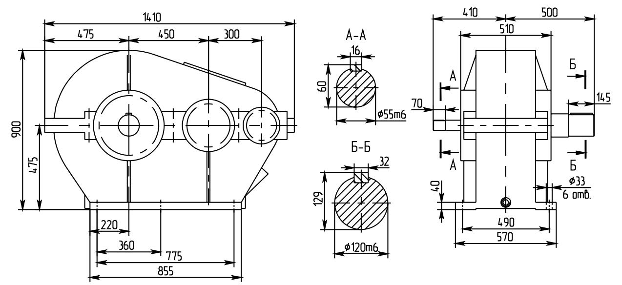
Цилиндрический редуктор ЦД2-75

Описание

Номинальное передаточное отношение, i Номинальная частота вращения быстроходного вала, об/мин Номинальный крутящий момент на тихоходном валу (ПВ100%), Н м Масса, кг
12,5; 16; 20; 25; 31,5; 40 1500 14000 930

Варианты сборки

 

Примерные обозначения при заказе продукции

ЦД2-75-20-21-ЦвхЦвых-У1, где:

  • ЦД2 – Тип редуктора;
  • 75 – Сумма межосевых расстояний 750 мм;
  • Н – передача Новикова;
  • 20 – Номинальное передаточное число;
  • 21 – Вариант сборки;
  • Цвх – Цилиндрический входной вал;
  • Цвых – Цилиндрический выходной вал;
  • У1 – Климатическое исполнение и категория размещения.
Назад
Выбор города