Ваш город:
Симферополь
Ваш город Симферополь?
Да Выбрать другой
Заказать звонок
Фильтр

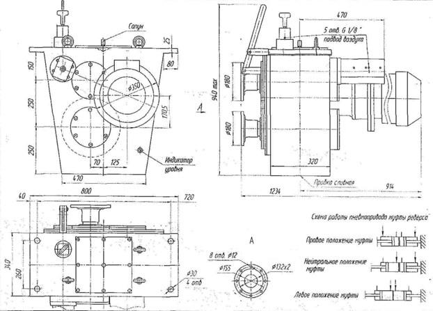
Редуктор Р516

Описание

Передаточное число 1,56
Максимальная чмстота вращения выходного вала, об/мин 2900

Габаритные и присоединительные размеры

Передаточное число 1,56
Максимальная чмстота вращения выходного вала, об/мин 2900
Назад
Выбор города