Ваш город:
Симферополь
Ваш город Симферополь?
Да Выбрать другой
Заказать звонок
Фильтр

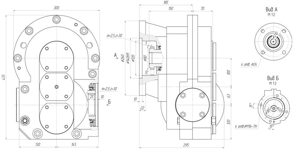
Редуктор ЧЦ-63-100

Описание

Частота вращение выходного вала, об/мин 1200
Крутящий момент на выходном валу, Н*м 300

Назад
Выбор города